
SB200
Set Screw Locking, Normal Duty, Narrow inner rings,Spherical OD, Available in 1/2" to 2-7/16" and 12 mm to 60 mm Bore Sizes
- Description
- Specification
- Application
- Cross No.
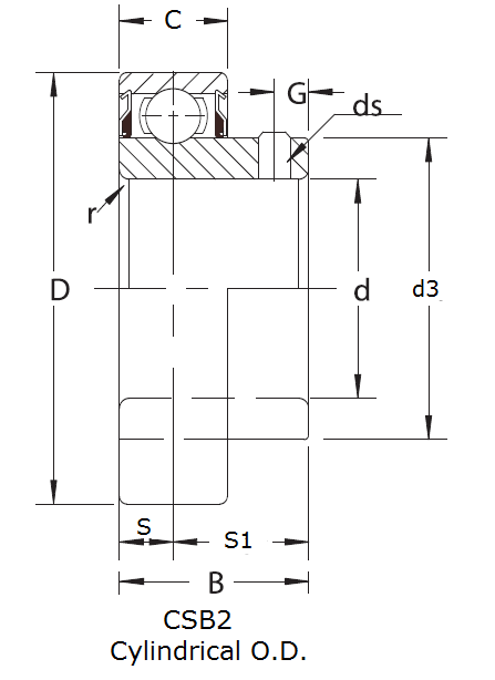
Set Screw Locking Bearing Insert, SB200 Sereis

|
Spherical OD |
Clindrical OD |
Dimensinons(mm) |
Weight kg |
|||||||||
| d | D | B | C | rs | S | S1 | G | ds | d3 | |||
| SB201 | CSB201 | 12 | 40 | 22 | 12 | 0.6 | 6 | 16 | 4.5 |
M5x0.8 10-32UNF |
24.3 | 0.10 |
| SB201-8 | CSB201-8 | 12.7 | 0.10 | |||||||||
| SB202-9 | CSB202-9 | 14.288 | 0.10 | |||||||||
| SB202 | CSB202 | 15 | 0.10 | |||||||||
| SB202-10 | CSB202-10 | 15.875 | 0.10 | |||||||||
| SB203 | CSB203 | 17 | 0.09 | |||||||||
| SB203-11 | CSB203-11 | 17.463 | 0.09 | |||||||||
| SB204-12 | CSB204-12 | 19.05 | 47 | 25 | 14 | 1 | 7 | 18 | 4.5 |
M6x1 1/4-28UNF |
29.6 | 0.14 |
| SB204 | CSB204 | 20 | 0.13 | |||||||||
| SB205-13 | CSB205-13 | 20.638 | 52 | 27 | 15 | 1 | 7.5 | 19.5 | 5.5 |
M6x1 1/4-28UNF |
33.9 | 0.19 |
| SB205-14 | CSB205-14 | 22.225 | 0.18 | |||||||||
| SB205-15 | CSB205-15 | 23.813 | 0.17 | |||||||||
| SB205 | CSB205 | 25 | 0.16 | |||||||||
| SB205-16 | CSB205-16 | 25.4 | 0.16 | |||||||||
| SB206-17 | CSB206-17 | 26.988 | 62 | 29 | 16 | 1 | 8 | 21 | 6 |
M6x1 1/4-28UNF |
40.8 | 0.28 |
| SB206-18 | CSB206-18 | 28.575 | 0.26 | |||||||||
| SB206 | CSB206 | 30 | 0.25 | |||||||||
| SB206-19 | CSB206-19 | 30.163 | 0.25 | |||||||||
| SB206-20 | CSB206-20 | 31.75 | 0.24 | |||||||||
| SB207-20 | CSB207-20 | 31.75 | 72 | 32 | 17 | 1.5 | 8.5 | 23.5 | 6.5 |
M8x1 5/16-24UNF |
46.8 | 0.47 |
| SB207-21 | CSB207-21 | 33.338 | 0.42 | |||||||||
| SB207-22 | CSB207-22 | 34.925 | 0.38 | |||||||||
| SB207 | CSB207 | 35 | 0.38 | |||||||||
| SB207-23 | CSB207-23 | 36.513 | 0.37 | |||||||||
| SB208-24 | CSB208-24 | 38.1 | 80 | 34 | 18 | 1.5 | 9 | 25 | 7 |
M8x1 5/16-24UNF |
53 | 0.52 |
| SB208-25 | CSB208-25 | 39.688 | 0.51 | |||||||||
| SB208 | CSB208 | 40 | 0.51 | |||||||||
| SB209-26 | CSB209-26 | 41.275 | 85 | 41.2 | 19 | 1.5 | 10.2 | 31 | 8.2 |
M8x1 5/16-24UNF |
57.5 | 0.62 |
| SB209-27 | CSB209-27 | 42.863 | 0.59 | |||||||||
| SB209-28 | CSB209-28 | 44.45 | 0.55 | |||||||||
| SB209 | CSB209 | 45 | 0.55 | |||||||||
| SB210-29 | CSB210-29 | 46.038 | 90 | 43.5 | 20 | 1.5 | 10.9 | 32.6 | 9.2 |
M10x1 3/8-24UNF |
62.4 | 0.74 |
| SB210-30 | CSB210-30 | 47.625 | 0.70 | |||||||||
| SB210-31 | CSB210-31 | 49.213 | 0.67 | |||||||||
| SB210 | CSB210 | 50 | 0.65 | |||||||||
| SB210-32 | CSB210-32 | 50.8 | 0.62 | |||||||||
| SB211-32 | CSB211-32 | 50.8 | 100 | 45.3 | 21 | 1.5 | 11.8 | 33.5 | 9.8 |
M10x1 3/8-24UNF |
1.10 | |
| SB211-33 | CSB211-33 | 52.388 | ||||||||||
| SB211-34 | CSB211-34 | 53.975 | ||||||||||
| SB211 | CSB211 | 55 | ||||||||||
| SB211-35 | CSB211-35 | 55.563 | ||||||||||
| SB212-36 | CSB212-36 | 57.15 | 110 | 53.7 | 22 | 1.5 | 14.8 | 38.8 | 9.8 |
M10x1 3/8-24UNF |
1.30 | |
| SB212-37 | CSB212-37 | 58.738 | ||||||||||
| SB212 | CSB212 | 60 | ||||||||||
| SB212-38 | CSB212-38 | 60.325 | ||||||||||
| SB212-39 | CSB212-39 | 61.913 | ||||||||||
Interchage of SB200 and SB200G - Spherical OD
Interchange of CSB200 - Cylindrical OD
| C&H |
FYH KOYO IPTCI |
NTN NSK |
ASAHI NACHI AMI |
PEER | SNR | FAFNIR |
SKF MRC |
|
relubricable suffix "G" |
relubricable suffix "D1" |
relubricable suffix "GO" |
relubricable prefix "G" |
||||
| SB201 | SB201 | AS201 | B1 | FHS201 | US201 | ||
| SB201-8 | SB201-8 | AS201-008 | B1-8 | FHS201-8 | US201-8 | YA008RRB | |
| SB202 | SB202 | AS202 | B2 | FHS202 | US202 | ||
| SB202-9 | SB202-9 | AS202-009 | B2-9 | FHS202-9 | US202-9 | YA009RRB | |
| SB202-10 | SB202-10 | AS202-010 | B2-10 | FHS202-10 | US202-10 | YA010RRB | |
| SB203 | SB203 | AS203 | B3 | FHS203 | US203 | YAE17RRB | YAT203 |
| SB203-11 | SB203-11 | AS203-011 | B3-11 | FHS203-11 | US203-11 | ||
| SB204 | SB204 | AS204 | B4 | FHS204 | US204 | YAE20RRB | YAT204 |
| SB204-12 | SB204-12 | AS204-012 | B4-12 | FHS204-12 | US204-12 | YA012RRB | YAT204-012 |
| SB205 | SB205 | AS205 | B5 | FHS205 | US205 | YAE25RRB | YAT205 |
| SB205-13 | SB205-13 | AS205-013 | B5-13 | FHS205-13 | US205-13 | YA013RRB | |
| SB205-14 | SB205-14 | AS205-014 | B5-14 | FHS205-14 | US205-14 | YA014RRB | |
| SB205-15 | SB205-15 | AS205-015 | B5-15 | FHS205-15 | US205-15 | YA015RRB | |
| SB205-16 | SB205-16 | AS205-100 | B5-16 | FHS205-16 | US205-16 | YA100RRB | YAT205-100 |
| SB206 | SB206 | AS206 | B6 | FHS206 | US206 | YAE30RRB | YAT206 |
| SB206-17 | SB206-17 | AS206-101 | B6-17 | FHS206-17 | US206-17 | YA101RRB | |
| SB206-18 | SB206-18 | AS206-102 | B6-18 | FHS206-18 | US206-18 | YA102RRB | |
| SB206-19 | SB206-19 | AS206-103 | B6-19 | FHS206-19 | US206-19 | YA103RRB | |
| SB206-20 | SB206-20 | AS206-104 | B6-20 | FHS206-20 | US206-20 | YA103RRB2 | YAT207-1042F |
| SB207 | SB207 | AS207 | B7 | FHS207 | US207 | YAE35RRB | YAT207 |
| SB207-20 | SB207-20 | AS207-104 | B7-20 | FHS207-20 | US207-20 | YA104RRB | |
| SB207-21 | SB207-21 | AS207-105 | B7-21 | FHS207-21 | US207-21 | YA105RRB | |
| SB207-22 | SB207-22 | AS207-106 | B7-22 | FHS207-22 | US207-22 | YA106RRB | |
| SB207-23 | SB207-23 | AS207-107 | B7-23 | FHS207-23 | US207-23 | YA107RRB | |
| SB208 | SB208 | AS208 | B8 | FHS208 | US208 | YAE40RRB | YAT208 |
| SB208-24 | SB208-24 | AS208-108 | B8-24 | FHS208-24 | US208-24 | YA108RRB | YAT208-108 |
| SB208-25 | SB208-25 | AS208-109 | B8-25 | FHS208-25 | US208-25 | YA109RRB | |
| SB209 | AS209 | FHS209 | US209 | YAE45RRB | YAT209 | ||
| SB209-26 | AS209-110 | FHS209-26 | US209-26 | YA110RRB | |||
| SB209-27 | AS209-111 | FHS209-27 | US209-27 | YA111RRB | |||
| SB209-28 | AS209-112 | FHS209-28 | US209-28 | YA112RRB | |||
| SB210 | AS210 | FHS210 | US210 | YAE50RRB | YAT210 | ||
| SB210-29 | AS210-113 | FHS210-29 | US210-29 | YA113RRB | |||
| SB210-30 | AS210-114 | FHS210-30 | US210-30 | YA114RRB | |||
| SB210-31 | AS210-115 | FHS210-31 | US210-31 | YA115RRB | |||
| SB210-32 | AS210-200 | FHS210-32 | US210-32 | YA115RRB2 | |||
| SB211 | FHS211 | US211 | YAE55RRB | YAT211 | |||
| SB211-32 | FHS211-32 | US211-32 | YA200RRB | ||||
| SB211-33 | FHS211-33 | US211-33 | YA201RRB | ||||
| SB211-34 | FHS211-34 | US211-34 | YA202RRB | ||||
| SB211-35 | FHS211-35 | US211-35 | YA203RRB | ||||
| SB212 | US212 | YAT212 | |||||
| SB212-36 | US212-36 | ||||||
| SB212-37 | US212-37 | ||||||
| SB212-38 | US212-38 | ||||||
| SB212-39 | US212-39 |
Interchange of CSB200 - Cylindrical OD
| C&H |
FYH KOYO IPTCI |
NTN NSK |
ASAHI NACHI AMI |
PEER | FAFNIR | INA |
|
relubricable suffix "G" |
relubricable suffix "D1" |
relubricable suffix "GO" |
relubricable prefix "G" |
relubricable prefix "G" |
||
| CSB201 | SBB201 | ASS201 | BR1 | FHSR201 | AYE12NPP | |
| CSB201-8 | SBB201-8 | ASS201-008 | BR1-8 | FHSR201-8 | YA008RR | AY008NPP |
| CSB202 | SBB202 | ASS202 | BR2 | FHSR202 | AYE15NPP | |
| CSB202-9 | SBB202-9 | ASS202-009 | BR2-9 | FHSR202-9 | YA009RR | |
| CSB202-10 | SBB202-10 | ASS202-010 | BR2-10 | FHSR202-10 | YA010RR | AY010NPP |
| CSB203 | SBB203 | ASS203 | BR3 | FHSR203 | YAE17RR | AYE17NPP |
| CSB203-11 | SBB203-11 | ASS203-011 | BR3-11 | FHSR203-11 | ||
| CSB204 | SBB204 | ASS204 | BR4 | FHSR204 | YAE20RR | AYE20NPP |
| CSB204-12 | SBB204-12 | ASS204-012 | BR4-12 | FHSR204-12 | YA012RR | AY012NPP |
| CSB205 | SBB205 | ASS205 | BR5 | FHSR205 | YAE25RR | AYE25NPP |
| CSB205-13 | SBB205-13 | ASS205-013 | BR5-13 | FHSR205-13 | YA013RR | |
| CSB205-14 | SBB205-14 | ASS205-014 | BR5-14 | FHSR205-14 | YA014RR | AY014NPP |
| CSB205-15 | SBB205-15 | ASS205-015 | BR5-15 | FHSR205-15 | YA015RR | |
| CSB205-16 | SBB205-16 | ASS205-100 | BR5-16 | FHSR205-16 | YA100RR | AY100NPP |
| CSB206 | SBB206 | ASS206 | BR6 | FHSR206 | YAE30RR | AYE30NPP |
| CSB206-17 | SBB206-17 | ASS206-101 | BR6-17 | FHSR206-17 | YA101RR | |
| CSB206-18 | SBB206-18 | ASS206-102 | BR6-18 | FHSR206-18 | YA102RR | AY102NPP |
| CSB206-19 | SBB206-19 | ASS206-103 | BR6-19 | FHSR206-19 | YA103RR | AY103NPP |
| CSB206-20 | SBB206-20 | ASS206-104 | BR6-20 | FHSR206-20 | YA103RR2 | AY103NPP2 |
| CSB207 | SBB207 | ASS207 | BR7 | FHSR207 | YAE35RR | AYE35NPP |
| CSB207-20 | SBB207-20 | ASS207-104 | BR7-20 | FHSR207-20 | YA104RR | AY104NPP |
| CSB207-21 | SBB207-21 | ASS207-105 | BR7-21 | FHSR207-21 | YA105RR | |
| CSB207-22 | SBB207-22 | ASS207-106 | BR7-22 | FHSR207-22 | YA106RR | AY106NPP |
| CSB207-23 | SBB207-23 | ASS207-107 | BR7-23 | FHSR207-23 | YA107RR | AY107NPP |
| CSB208 | SBB208 | ASS208 | BR8 | FHSR208 | YAE40RR | AYE40NPP |
| CSB208-24 | SBB208-24 | ASS208-108 | BR8-24 | FHSR208-24 | YA108RR | AY108NPP |
| CSB208-25 | SBB208-25 | ASS208-109 | BR8-25 | FHSR208-25 | YA109RR | |
| CSB209 | ASS209 | FHSR209 | YAE45RR | AYE45NPP | ||
| CSB209-26 | ASS209-110 | FHSR209-26 | YA110RR | AY110NPP | ||
| CSB209-27 | ASS209-111 | FHSR209-27 | YA111RR | |||
| CSB209-28 | ASS209-112 | FHSR209-28 | YA112RR | AY112NPP | ||
| CSB210 | ASS210 | FHSR210 | YAE50RR | AYE50NPP | ||
| CSB210-29 | ASS210-113 | FHSR210-29 | YA113RR | |||
| CSB210-30 | ASS210-114 | FHSR210-30 | YA114RR | |||
| CSB210-31 | ASS210-115 | FHSR210-31 | YA115RR | AY115NPP | ||
| CSB210-32 | ASS210-200 | FHSR210-32 | YA115RR2 | |||
| CSB211 | FHSR211 | YAE55RR | AYE55NPP | |||
| CSB211-32 | FHSR211-32 | YA200RR | AY200NPP | |||
| CSB211-33 | FHSR211-33 | YA201RR | ||||
| CSB211-34 | FHSR211-34 | YA202RR | ||||
| CSB211-35 | FHSR211-35 | YA203RR | AY203NPP | |||
| CSB212 | AYE60NPP |
